Views: 7 Author: Site Editor Publish Time: 2024-09-23 Origin: Site
DW1210 Universal Strength Tester is used to carry out the tensile strength test, trapezoid tear resistance test, puncture resistance test and punch through test on geosynthetics or geosynthetic-related products. This tensile test method covers the measurement of load-elongation characteristics, including procedures for the calculation of maximum load per unit width and strain at maximum load. Procedures for measuring the tensile properties of both conditioned and wet specimen are included.
Measuring range | 50kN |
Sensor precision | ≤±1% |
Test force range | 2%~100%FS |
Resolution of test force | 1grade |
Test deformation range | 2%~100% |
Test deformation accuracy | ≤±1% |
Displacement resolution | 0.01mm |
Relative tolerance of beam displacement | ≤±0.5% |
Speed range | 0.01mm/min~200mm/min, adjustable |
Relative tolerance of beam speed | ±1% |
Maximum tensile stroke | 1100mm |
Maximum compression stroke | 1100mm |
Effective width of test space | 480mm |
Maximum stroke of beam | 1300mm |
Power supply | AC220V 1.5KW |
The instrument consists of three parts:
a) Loading part: the main machine and auxiliary tools constitute the force-adding frame of the testing machine.
b) Power drive part: ac servo motor, ac servo system and deceleration system under the host platform constitute the power drive system.
b) Force measurement, recording and processing: the controller, measurement and control software, PC and printer constitute the control, data processing and printing system of the test machine.
FIG. 1 Physical Structural
1. Main machine
2. Tensile auxiliary equipment
3. Moving beam
4. Sensor
5. Compression auxiliary equipment
6. Printer
7. Measurement and control system
8. Computer
3.2 Instrument working principle
a) The section of main machine (As shown in FIG.2)
The main machine is composed of seven parts: guide column③, upper beam①, middle beam② and working table④. The system of speed regulating⑦ is installed on the lower part of the working table. The ac servo motor⑥ drives the ball screw⑤ to rotate through the synchronous gear belt deceleration system, and the ball screw⑤ drives the middle beam② to drive the tensile accessories (or compression, bending and other accessories) to move up and down to realize the loading and unloading of the sample. The structure ensures sufficient rigidity of the frame and achieves efficient and smooth transmission. There is a clearance elimination structure between the lead screw and the lead screw, which improves the transmission precision of the whole machine.
FIG. 2 Main Machine Structural
① Upper beam
② Middle beam
③ Guide column
④ Working table
⑤ Ball screw
⑥ Servo motor
⑦ The system of speed regulating
Test space
The tensile test was carried out between the upper beam and the middle beam, and the compression test was carried out between the middle beam and the work table.
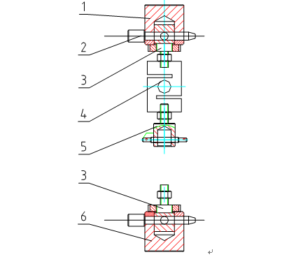
The additional sensor can be placed in the upper and lower connecting rod, the controller channel can be switched, and the small range test can be carried out by attaching the connecting attachment. The connection mode is shown in FIG. 3 below:
FIG. 3 Additional sensor connection diagram
1. Upper connector
2. Bolt
3. Plug
4. sensor
5. Conversion socket
6. Lower connector
1. Load sensor
The load sensor is mounted on top of the middle beam. The test machine has been assembled before it leaves the factory. Users should not disassemble it easily. The allowable load is 105% of the rated capacity. It must be noted that the load applied in the test cannot exceed the allowable range.
2. Limit switch
The limit switch is installed behind the left side of the main machine. When the middle beam moves beyond the set position, the limit switch will move and the test machine will stop working.
3. The abrupt stop switch
The emergency stop switch is mounted on the front and upper part on the right side of the host (see figure 1).In case of emergency, press the emergency stop switch to power off the servo system and stop the beam immediately.
b)Start switch
The start button is installed under the emergency stop button above the front on the right side of the host (see figure 1).Start button to power the system.
The data collected by the system is displayed on the screen and stored in the computer memory. After the test is completed, the user can process the data, and the results can be either printed or saved on the hard disk for the convenience of data reanalysis and network operation in the future (see the software user manual for details).4. Installation and debugging
Before leaving the factory, the machine goes through a strict quality control and has taken an anti-collision package treatment. But they may probably be damaged due to human errors or severe impact when they are in transit. So after unpacking the box, please check immediately and carefully:
1. Confirm whether the damage caused in transit;
2. Make sure you receive product is what you ordered;
3. The equipment is packed by wood which use forklift for loading and unloading and keep it up.
1. The outer cover plate of the main engine of the test machine is aluminum, which cannot bear the load.
2. Please lift gently when lifting.
3. When erecting the main engine, the lifting ring screw on the baseboard should be removed first, and attention should be paid to the change of the center of gravity of the main engine to prevent capsizing.
4. Installation location to be solid, smooth, do not need to lay the foundation.
5. Gently pry up the host with a crowbar, gently pry and put, pay attention to protect the machine surface paint layer, avoid collision with aluminum shell.
6. Pay attention to the direction when placing the spacer, and make the horizontal adjusting screw sink into the groove of the spacer.
7. The space height shall not be less than 2600mm.
5.2 Attention
1. Before starting the testing machine, be sure to check the position of limit switch installed on the left rear housing to make it meet the requirements of test travel and ensure that the upper and lower clamp are at least 10cm apart.
2. The red mushroom head button on the main engine is the emergency stop button of the test machine. In case of emergency, please press it immediately. Next time before starting up, press the emergency stop button to make it in the closed position.
3. If the beam moves to the set mechanical limit, the test machine will automatically stop and give a hint. If the test machine is to be run again, the limit adjustment knob should be loosened and moved to other required working positions. Otherwise, it cannot be run.
if you need more detailed about our yarn stength tester machine .you can send email to
sales@abest-tester.com
or visit our Universal Tensile Strength Tester on Abest Tester Group (abest-tester.com)